CONTINUOUSLY VARIABLE TRANSMISSION(TR580) > Differential Side Retainer Oil Seal
REPLACEMENT
CAUTION:
• Immediately after the vehicle has been running or after idling for a long time, the differential gear oil will be hot. Be careful not to burn yourself.
• Be careful not to spill the differential gear oil on exhaust pipe to prevent it from emitting smoke or fire. If differential gear oil is spilled on the exhaust pipe, wipe it off completely.
1. Remove the front tires. Tire and Wheel > REMOVAL">
2. Remove the center exhaust pipe. Center Exhaust Pipe > REMOVAL">
3. Remove the differential gear oil drain plug using TORX® bit T70, and then drain differential gear oil.

4. Tighten the differential gear oil drain plug.
NOTE:
Use a new gasket.
Tightening torque:
70 N·m (7.1 kgf-m, 51.6 ft-lb)
5. Remove the jack-up plate.

6. Remove the stabilizer bracket.

7. Remove the bolts which secure to the front housing, and separate the front arm and housing.

8. Using a crowbar, etc., pull out until the front drive shaft transmission side joint slides move smoothly.
NOTE:
Place cloth between the crowbar and the transmission in order to avoid damaging the transmission side retainer.
9. Hold the transmission side joint of the front drive shaft by hand and extract the housing from the transmission while pressing the housing outward, so as not to stretch the boot.
NOTE:
• Before pulling the RH front drive shaft from transmission, turn the steering wheel to the right hand at full lock.
• Before pulling the LH front drive shaft from transmission, turn the steering wheel to the left hand at full lock.
10. Remove the differential side retainer oil seal using driver wrapped with vinyl tape etc.
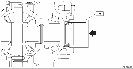
11. Using the ST, install the differential side retainer oil seal by lightly tapping with a hammer.
NOTE:
• Apply differential gear oil to the lip surface, so that the oil seal lip is not deformed.
• Apply differential gear oil to the press-fitting surface of oil seal and the differential side retainer.
• Oil seal has an identification mark (R, L). When installing oil seals, do not confuse the left and right.
| ST 18675AA000 | DIFFERENTIAL SIDE OIL SEAL INSTALLER |

12. Set the ST to side retainer.
| ST 28399SA010 | OIL SEAL PROTECTOR |

13. Replace the circlip of the drive shaft with a new part.
14. Insert the front drive shaft spline section into transmission and remove the ST (DIFFERENTIAL SIDE OIL SEAL INSTALLER).
NOTE:
• Before inserting the RH front drive shaft into transmission, turn the steering wheel to the right hand at full lock.
• Before inserting the LH front drive shaft into transmission, turn the steering wheel to the left hand at full lock.
15. Insert the drive shaft into the transmission securely by pressing the housing from outside of the vehicle.
16. Insert the ball joint into housing and secure with bolt.
Tightening torque:
50 N·m (5.1 kgf-m, 36.9 ft-lb)
CAUTION:
• Do not apply grease to the tapered portion of ball stud.
• Before tightening, make sure the lower side of housing and stepped section of ball joint are in contact.

17. Install the stabilizer bracket.
Tightening torque:
25 N·m (2.5 kgf-m, 18.4 ft-lb)

18. Install the jack-up plate.
Tightening torque:
60 N·m (6.1 kgf-m, 44.3 ft-lb)

19. Install the center exhaust pipe. Center Exhaust Pipe > INSTALLATION">
20. Fill differential gear oil. Differential Gear Oil">
21. Adjust the differential gear oil level, and check for leakage. Differential Gear Oil > ADJUSTMENT">
22. Install the front tires. Tire and Wheel > INSTALLATION">
InspectionPreparation tool
SUNROOF/T-TOP/CONVERTIBLE TOP (SUNROOF) > General DescriptionPREPARATION TOOL1. GENERAL TOOLTOOL NAMEREMARKSCircuit testerUsed for measuring resistance, voltage and current.Hexagon wrenchUsed for forcibly driving the motor assembly - sunroof. Width across flat 4 mm (0.16 in)TORX® T25Used for rem ...
How to contact the vehicle manufacturer
concerning modifications
for persons with disabilities that
may affect the advanced airbag
system
Changing or moving any parts of the front
seats, rear seat, seatbelts, front bumper,
front side frame, radiator panel, instrument
panel, combination meter, steering wheel,
steering column, tire, suspension or floor
panel can affect the operation of the
SUBARU advanced airbag system. If
you ha ...
Presetting a channel
1. The presets list is displayed via either
of the following procedures.
When you touch the tab in the
SiriusXM main screen (if the list that
was displayed the last time is Presets).
When you select the
tab in each
list screen.
2. The current channel is stored if you
touch ...