Blind Spot Detection/Rear Cross Traffic Alert (DIAGNOSTICS) > Subaru Select Monitor
INSPECTION
1. COMMUNICATION FOR INITIALIZING IMPOSSIBLE
When communication with the radar sensor is impossible
Detecting condition:
• Defective harness connector
• Power supply circuit malfunction
• Defective radar sensor
• Defective CAN communication circuit
• Defective Subaru Select Monitor
Trouble symptom:
Communication is impossible between radar sensor and Subaru Select Monitor.
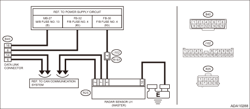
Wiring diagram:
BSD/RCTA system Blind Spot Detection/Rear Cross Traffic Alert > WIRING DIAGRAM">

| STEP | CHECK | YES | NO |
1.CHECK FUSE.
1) Turn the ignition switch to OFF.
2) Check the fuse for radar sensor LH. Relay and Fuse">
Is it normal?
Subaru Select Monitor > INSPECTION">Go to Step 2.
Replace the fuse. If the replaced fuse has blown out immediately, repair the short circuit to ground in harness between fuse and radar sensor LH.
2.CHECK HARNESS (OPEN CIRCUIT).
1) Disconnect the radar sensor LH connector.
2) Turn the ignition switch to ON.
3) Using a tester, measure the voltage between radar sensor LH connector (harness side) and chassis ground.
Connector & terminal
(R25) No. 5 (+) — Chassis ground (−):
Is the voltage 10 V or more?
Subaru Select Monitor > INSPECTION">Go to Step 3.
Repair the open circuit of harness between fuse and radar sensor LH connector.
3.CHECK HARNESS (OPEN CIRCUIT).
1) Turn the ignition switch to OFF.
2) Using a tester, measure the resistance between radar sensor LH connector (harness side) and chassis ground.
Connector & terminal
(R25) No. 10 — Chassis ground:
Is the resistance less than 1 ??
Subaru Select Monitor > INSPECTION">Go to Step 4.
Repair the open circuit in harness between radar sensor and chassis ground.
4.CHECK LAN SYSTEM.
1) Connect the radar sensor LH connector.
2) Inspect LAN system. Basic Diagnostic Procedure">
Is it normal?
Subaru Select Monitor > INSPECTION">Go to Step 5.
Perform the inspection according to the diagnosis for LAN system.
5.CHECK RADAR SENSOR.
Communicate with the radar sensor.
Is communication possible?
The circuit has returned to a normal condition at this time. Reproduce the failure, and then perform the diagnosis again.
NOTE:
In this case, temporary poor contact of connector, temporary open or short circuit of harness may be the cause.
Replace the radar sensor LH. Radar Sensor">
OperationDtc p0071 ambient air temperature sensor circuit "a" range/performance
ENGINE (DIAGNOSTICS)(H4DO) > Diagnostic Procedure with Diagnostic Trouble Code (DTC)DTC P0071 AMBIENT AIR TEMPERATURE SENSOR CIRCUIT "A" RANGE/PERFORMANCEDTC detecting condition:Detected when two consecutive driving cycles with fault occur.CAUTION:After servicing or replacing faulty par ...
Dtc b1434 evaporator temperature sensor circuit open
HVAC SYSTEM (AUTO A/C) (DIAGNOSTICS) > Diagnostic Procedure with Diagnostic Trouble Code (DTC)DTC B1434 EVAPORATOR TEMPERATURE SENSOR CIRCUIT OPENDTC detecting condition:Evaporator sensor circuit is open.Trouble symptom:Evaporator temperature is falsely recognized as low, and the compartment temp ...
Dtc u1650 invalid data received from meter (uart)
INSTRUMENTATION/DRIVER INFO (DIAGNOSTICS) > Diagnostic Procedure with Diagnostic Trouble Code (DTC)DTC U1650 INVALID DATA RECEIVED FROM METER (UART)DTC DETECTING CONDITION:There is an abnormality in UART data from combination meter.TROUBLE SYMPTOM:LCD is not displayed.WIRING DIAGRAM:Clearance Lig ...