ENGINE (DIAGNOSTICS)(H4DO) > Diagnostic Procedure with Diagnostic Trouble Code (DTC)
DTC P1531 BATTERY CURRENT SENSOR CIRCUIT HIGH
DTC detecting condition:
Immediately at fault recognition
CAUTION:
After servicing or replacing faulty parts, perform Clear Memory Mode Clear Memory Mode > OPERATION">
, and Inspection Mode Inspection Mode > PROCEDURE">
.
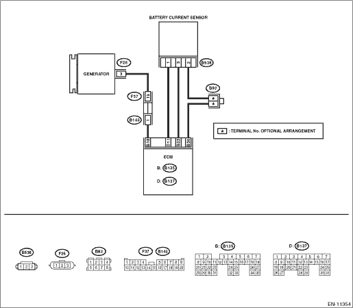
Wiring diagram:
Engine electrical system Engine Electrical System">

| STEP | CHECK | YES | NO |
1.CHECK CURRENT DATA.
1) Start the engine.
2) Read the value of «Battery current value» using the Subaru Select Monitor.
NOTE:
For detailed operation procedures, refer to “Current Data Display For Engine”. Subaru Select Monitor">
Is the value of «Battery current value» 100 A or more?
Diagnostic Procedure with Diagnostic Trouble Code (DTC) > DTC P1531 BATTERY CURRENT SENSOR CIRCUIT HIGH">Go to Step 2.
Even if DTC is detected, the circuit has returned to a normal condition at this time. Reproduce the failure, and then perform the diagnosis again.
NOTE:
In this case, temporary poor contact of connector, temporary open or short circuit of harness may be the cause.
2.CHECK HARNESS BETWEEN ECM AND BATTERY CURRENT SENSOR CONNECTOR.
1) Turn the ignition switch to OFF.
2) Disconnect the connector from the battery current sensor.
3) Start the engine.
4) Read the value of «Battery current value» using the Subaru Select Monitor.
NOTE:
For detailed operation procedures, refer to “Current Data Display For Engine”. Subaru Select Monitor">
Is the value of «Battery current value» 100 A or more?
Repair the short circuit to power in the harness between ECM connector and battery current sensor connector.
Diagnostic Procedure with Diagnostic Trouble Code (DTC) > DTC P1531 BATTERY CURRENT SENSOR CIRCUIT HIGH">Go to Step 3.
3.CHECK HARNESS BETWEEN ECM AND BATTERY CURRENT SENSOR CONNECTOR.
1) Turn the ignition switch to OFF.
2) Measure the resistance of the harness between the battery current sensor connector and engine ground.
Connector & terminal
(B538) No. 2 — Engine ground:
Is the resistance less than 5 ??
Diagnostic Procedure with Diagnostic Trouble Code (DTC) > DTC P1531 BATTERY CURRENT SENSOR CIRCUIT HIGH">Go to Step 4.
Repair the harness and connector.
NOTE:
In this case, repair the following item:
• Open circuit in harness between ECM connector and battery current sensor connector
• Poor contact of joint connector
4.CHECK FOR POOR CONTACT.
Check for poor contact of the battery current sensor connector.
Is there poor contact of the battery current sensor connector?
Repair the poor contact of the battery current sensor connector.
Replace the battery current sensor. Battery Current & Temperature Sensor">
1. OUTLINE OF DIAGNOSIS
Detect the open or short circuit of battery current sensor.
Judge as NG if out of specification.
2. COMPONENT DESCRIPTION

(1) | Hall IC | (2) | Chip condenser | (3) | Core |
3. EXECUTION CONDITION
Secondary Parameters | Execution condition |
Battery voltage | ≥ 10.9 V |
Elapsed time after starting the engine | > 1000 ms |
Engine speed | > 500 rpm |
Ignition switch | ON |
4. GENERAL DRIVING CYCLE
Always perform the diagnosis continuously.
5. DIAGNOSTIC METHOD
If the duration of time while the following conditions are met is longer than the time indicated, judge as NG.
Malfunction Criteria | Threshold Value |
Output voltage | ≥ 4.717 V |
Time Needed for Diagnosis: 500 ms
Malfunction Indicator Light Illumination: Does not illuminate even when malfunction occurs.
Dtc p1530 battery current sensor circuit low
Dtc u0101 lost communication with tcmInspection
ENTERTAINMENT > Data Communication ModuleINSPECTION1. BACKUP BATTERY1. Measure the voltage between connector terminals.Preparation tool:Circuit testerTerminal No.Standard1 (+) — 2 (−)2 V or more2. Replace the backup battery if the inspection result is not within the standard value. ...
Dtc p2135 throttle/pedal position sensor/switch "a"/"b" voltage correlation
ENGINE (DIAGNOSTICS)(H4DO) > Diagnostic Procedure with Diagnostic Trouble Code (DTC)DTC P2135 THROTTLE/PEDAL POSITION SENSOR/SWITCH "A"/"B" VOLTAGE CORRELATIONDTC detecting condition:Immediately at fault recognitionTrouble symptom:• Improper idling• Poor driving pe ...
Check list for interview Check
Blind Spot Detection/Rear Cross Traffic Alert (DIAGNOSTICS) > Check List for InterviewCHECK• Inspect the following items regarding the vehicle’s state.• Print out this page for interviewing customers.Blind Spot Detection/Rear Cross Traffic Alert Check List for InterviewReceived ...