CONTINUOUSLY VARIABLE TRANSMISSION (DIAGNOSTICS) > Diagnostic Procedure with Diagnostic Trouble Code (DTC)
DTC P0719 BRAKE SWITCH "B" CIRCUIT LOW
DTC detecting condition:
Immediately at fault recognition
Trouble symptom:
Gear is not shifted down when climbing a hill or driving down a hill.
CAUTION:
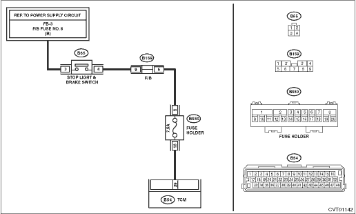
Use the check board when measuring the TCM terminal voltage and resistance.
Wiring diagram:
• Without EyeSight
Stop light system  Stop Light System > WIRING DIAGRAM">

• With EyeSight
Stop light system  Stop Light System > WIRING DIAGRAM">

| STEP | CHECK | YES | NO | 
1.CHECK FUSE (NO. 8).
1) Turn the ignition switch to OFF.
2) Remove the fuse (No. 8).
3) Check the fuse.
Is the check result OK?
 Diagnostic Procedure with Diagnostic Trouble Code (DTC) > DTC P0719 BRAKE SWITCH "B" CIRCUIT LOW">Go to Step 2.
Replace the fuse (No. 8). If the new fuse (No. 8) has blown out easily, repair the short circuit of harness between fuse (No. 8) and stop light switch.
2.CHECK HARNESS.
1) Turn the ignition switch to OFF.
2) Disconnect the TCM connector.
3) Disconnect the stop light switch connector.
4) Measure the resistance between TCM connector and stop light switch connector.
Connector & terminal
(B54) No. 29 — (B65) No. 4:
Is the resistance less than 1 ??
 Diagnostic Procedure with Diagnostic Trouble Code (DTC) > DTC P0719 BRAKE SWITCH "B" CIRCUIT LOW">Go to Step 3.
Repair the open circuit of harness.
3.CHECK HARNESS.
Measure the resistance between the stop light switch connector and fuse (No. 8).
Connector & terminal
(B65) No. 3 — fuse (No. 8):
Is the resistance less than 1 ??
 Diagnostic Procedure with Diagnostic Trouble Code (DTC) > DTC P0719 BRAKE SWITCH "B" CIRCUIT LOW">Go to Step 4.
Repair the open circuit of harness.
4.CHECK INPUT SIGNAL FOR TCM.
1) Install the fuse (No. 8).
2) Connect the stop light switch connector.
3) Depress the brake pedal.
4) Measure the voltage between TCM connector and chassis ground.
Connector & terminal
(B54) No. 29 (+) — Chassis ground (−):
Is the voltage 10 V or more?
 Diagnostic Procedure with Diagnostic Trouble Code (DTC) > DTC P0719 BRAKE SWITCH "B" CIRCUIT LOW">Go to Step 5.
Replace the stop light switch.  Stop Light Switch">
5.CHECK INPUT SIGNAL FOR TCM.
1) Connect the TCM connector.
2) With brake pedal depressed, read the data of «Stop Light Switch» using Subaru Select Monitor.
Is “ON” displayed?
Current condition is normal. Check for poor contact in connectors or harnesses, and repair the defective part.
 Diagnostic Procedure with Diagnostic Trouble Code (DTC) > DTC P0719 BRAKE SWITCH "B" CIRCUIT LOW">Go to Step 6.
6.CHECK FOR POOR CONTACT.
Is there poor contact in the stop light switch input signal circuit?
Repair the poor contact.
Replace the TCM.  Transmission Control Module (TCM)">
1. OUTLINE OF DIAGNOSIS
• Detect no input from the brake signal.
• Judge as NG if a predetermined number of deceleration occurs while the cruise control is set to OFF and the brake is OFF.
2. EXECUTION CONDITION
| Secondary parameters | Execution condition | 
| Cruise control | OFF | 
3. DIAGNOSTIC METHOD
If the duration of time while the following conditions are met is longer than the time indicated, judge as NG.
| Malfunction Criteria | Threshold Value | 
| Number of times that vehicle speed changes from 30 km/h to 1 km/h while the brake SW is OFF | > 10 count | 
Malfunction Indicator Light Illumination: Does not illuminate.
 Dtc p0716 input/turbine shaft speed sensor "a" circuit range/performance
Dtc p0716 input/turbine shaft speed sensor "a" circuit range/performance Dtc p0724 brake switch "b" circuit high
Dtc p0724 brake switch "b" circuit highRemoval
   HVAC SYSTEM (HEATER, VENTILATOR AND A/C) > CondenserREMOVAL1. Using the refrigerant recovery system, discharge refrigerant.  Refrigerant Recovery Procedure > PROCEDURE">2. Remove the air intake duct.  Air Intake Duct > REMOVAL">3. Remove the clip, and remove the bracket - gr ...
   
Dtc p0132 a/f / o2 sensor circuit high voltage bank 1 sensor 1
   ENGINE (DIAGNOSTICS)(H4DO) > Diagnostic Procedure with Diagnostic Trouble Code (DTC)DTC P0132 A/F / O2 SENSOR CIRCUIT HIGH VOLTAGE BANK 1 SENSOR 1DTC DETECTING CONDITION:Immediately at fault recognitionCAUTION:After servicing or replacing faulty parts, perform Clear Memory Mode  Clear Memory Mode ...
   
Caution
   REAR SUSPENSION > General DescriptionCAUTIONPlease clearly understand and adhere to the following general precautions. They must be strictly followed to avoid minor or serious injury to the person doing the work or people in the area.1. EACH PROCEDURE•  Wear appropriate work clothing, includ ...