AIRBAG SYSTEM (DIAGNOSTICS) > Diagnostic Chart with Trouble Code
DTC B1831 OPEN IN CURTAIN AIRBAG RH SQUIB CIRCUIT
Diagnosis start condition:
Ignition voltage is 10 V to 16 V.
DTC detecting condition:
• Curtain airbag harness (RH) circuit is open.
• Curtain airbag module (RH) is faulty.
• Airbag control module is faulty.
CAUTION:
Before performing diagnosis, refer to “CAUTION” in “General Description”. General Description > CAUTION">
Wiring diagram:
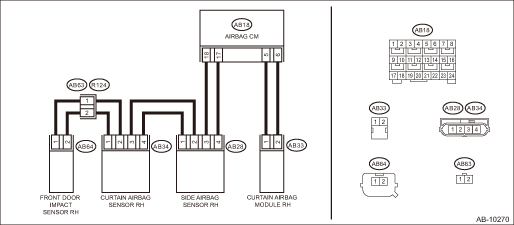
Airbag system Airbag System > WIRING DIAGRAM">

| STEP | CHECK | YES | NO |
1.CHECK POOR CONTACT OF CONNECTORS.
Check for poor contact of the connectors between the airbag control module, curtain airbag module RH and the curtain airbag sensor RH.
Is there poor contact?
Replace the airbag rear harness along with body harness.
Diagnostic Chart with Trouble Code > DTC B1831 OPEN IN CURTAIN AIRBAG RH SQUIB CIRCUIT">Go to Step 2.
2.CHECK CURTAIN AIRBAG MODULE.
1) Turn the ignition switch to OFF, disconnect the battery ground cable, and wait for 60 seconds or more.
2) Disconnect the connector (AB33) from curtain airbag module (RH).
3) Connect the connector (1N) in the test harness N to the connector (AB33).
4) Connect the airbag resistor to the connector (2N) of test harness N.
5) Connect the battery ground terminal and turn the ignition switch to ON.
Does the airbag warning light illuminate for 6 seconds and go off?
Replace the curtain airbag module (RH). Curtain Airbag Module">
Diagnostic Chart with Trouble Code > DTC B1831 OPEN IN CURTAIN AIRBAG RH SQUIB CIRCUIT">Go to Step 3.
3.CHECK AIRBAG REAR HARNESS (CURTAIN AIRBAG MODULE HARNESS RH).
1) Turn the ignition switch to OFF, disconnect the battery ground cable, and wait for 60 seconds or more.
2) Disconnect the connector (AB26) from seat belt pretensioner (RH).
3) Disconnect connector (AB24) from side airbag module (RH).
4) Disconnect the airbag resistor from test harness N.
5) Disconnect the connectors (AB6, AB17, AB18) from airbag control module.
6) Connect the connector (1AG) in the test harness AG to the connectors (AB6, AB17, AB18).
7) Measure the resistance between connector (6AG) in the test harness AG and connector (2N) in the test harness N.
Connector & terminal
(6AG) No. 8 — (2N) No. 2:
(6AG) No. 6 — (2N) No. 1:
Is the resistance less than 10 ??
Diagnostic Chart with Trouble Code > DTC B1831 OPEN IN CURTAIN AIRBAG RH SQUIB CIRCUIT">Go to Step 4.
Replace the airbag rear harness along with body harness.
4.CHECK AIRBAG CONTROL MODULE.
1) Connect all connectors.
2) Clear the memory. Clear Memory Mode">
3) Perform the Inspection Mode. Inspection Mode">
4) Read the DTC. (Current malfunction) Read Diagnostic Trouble Code (DTC)">
Is DTC B1831 displayed?
Replace the airbag control module. Airbag Control Module">
Diagnostic Chart with Trouble Code > DTC B1831 OPEN IN CURTAIN AIRBAG RH SQUIB CIRCUIT">Go to Step 5.
5.CHECK FOR ANY OTHER DTC ON DISPLAY.
Is any other DTC displayed?
Check DTC using “List of Diagnostic Trouble Code (DTC)”. List of Diagnostic Trouble Code (DTC)">
Finish the diagnosis.
Dtc b1830 short in curtain airbag rh squib circuit
Dtc b1832 short in curtain airbag rh squib circuit (to ground)Cruise control (if equipped)
NOTE
For models with EyeSight system:
Refer to the Owner's Manual supplement
for the EyeSight system.
Cruise control enables you to maintain a
constant vehicle speed without holding
your foot on the accelerator pedal and it is
operative when the vehicle speed is 25
mph (40 km/h) or more.
WA ...
Removal
CONTINUOUSLY VARIABLE TRANSMISSION(TR580) > Inhibitor SwitchREMOVAL1. Shift the select lever to “N” range.2. Disconnect the ground cable from battery. NOTE">NOTE:For model with battery sensor, disconnect the ground terminal from battery sensor.3. Lift up the vehicle.4. Remove ...
Dtc c2422 transmitter 2 battery voltage low
TIRE PRESSURE MONITORING SYSTEM (DIAGNOSTICS) > Diagnostic Procedure with Diagnostic Trouble Code (DTC)DTC C2422 TRANSMITTER 2 BATTERY VOLTAGE LOWNOTE:Refer to DTC C2424 for diagnostic procedure. Diagnostic Procedure with Diagnostic Trouble Code (DTC) > DTC C2424 TRANSMITTER 4 BATTERY VOLTAGE ...