AIRBAG SYSTEM (DIAGNOSTICS) > Diagnostic Chart with Trouble Code
DTC B1830 SHORT IN CURTAIN AIRBAG RH SQUIB CIRCUIT
Diagnosis start condition:
Ignition voltage is 10 V to 16 V.
DTC detecting condition:
• Curtain airbag harness (RH) circuit is shorted.
• Curtain airbag module (RH) is faulty.
• Airbag control module is faulty.
CAUTION:
Before performing diagnosis, refer to “CAUTION” in “General Description”. General Description > CAUTION">
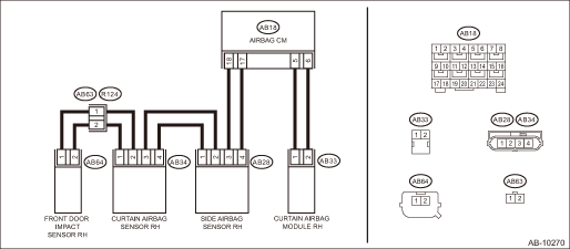
Wiring diagram:
Airbag system Airbag System > WIRING DIAGRAM">

| STEP | CHECK | YES | NO |
1.CHECK POOR CONTACT OF CONNECTORS.
Check for poor contact of the connectors between the airbag control module, curtain airbag module RH and the curtain airbag sensor RH.
Is there poor contact?
Replace the airbag rear harness along with body harness.
Diagnostic Chart with Trouble Code > DTC B1830 SHORT IN CURTAIN AIRBAG RH SQUIB CIRCUIT">Go to Step 2.
2.CHECK CURTAIN AIRBAG MODULE.
1) Turn the ignition switch to OFF, disconnect the battery ground cable, and wait for 60 seconds or more.
2) Disconnect the connector (AB33) from curtain airbag module (RH).
3) Connect the connector (1N) in the test harness N to the connector (AB33).
4) Connect the airbag resistor to the connector (2N) of test harness N.
5) Connect the battery ground terminal and turn the ignition switch to ON.
Does the airbag warning light illuminate for 6 seconds and go off?
Replace the curtain airbag module (RH). Curtain Airbag Module">
Diagnostic Chart with Trouble Code > DTC B1830 SHORT IN CURTAIN AIRBAG RH SQUIB CIRCUIT">Go to Step 3.
3.CHECK AIRBAG REAR HARNESS (CURTAIN AIRBAG MODULE HARNESS RH).
1) Turn the ignition switch to OFF, disconnect the battery ground cable, and wait for 60 seconds or more.
2) Disconnect the connector (AB26) from seat belt pretensioner (RH).
3) Disconnect connector (AB24) from side airbag module (RH).
4) Disconnect the airbag resistor from test harness N.
5) Disconnect the connectors (AB6, AB17, AB18) from airbag control module.
6) Connect the connector (1AG) in the test harness AG to the connectors (AB6, AB17, AB18).
7) Measure the resistance between connector (6AG) terminals in test harness AG.
Connector & terminal
(6AG) No. 6 — (6AG) No. 8:
Is the resistance 1 M? or more?
Diagnostic Chart with Trouble Code > DTC B1830 SHORT IN CURTAIN AIRBAG RH SQUIB CIRCUIT">Go to Step 4.
Replace the airbag rear harness along with body harness.
4.CHECK AIRBAG CONTROL MODULE.
1) Connect all connectors.
2) Clear the memory. Clear Memory Mode">
3) Perform the Inspection Mode. Inspection Mode">
4) Read the DTC. (Current malfunction) Read Diagnostic Trouble Code (DTC)">
Is DTC B1830 displayed?
Replace the airbag control module. Airbag Control Module">
Diagnostic Chart with Trouble Code > DTC B1830 SHORT IN CURTAIN AIRBAG RH SQUIB CIRCUIT">Go to Step 5.
5.CHECK FOR ANY OTHER DTC ON DISPLAY.
Is any other DTC displayed?
Check DTC using “List of Diagnostic Trouble Code (DTC)”. List of Diagnostic Trouble Code (DTC)">
Finish the diagnosis.
Dtc b1828 short in side airbag lh (to +b)
Dtc b1831 open in curtain airbag rh squib circuitRemoval
BRAKE > Rear Disc Brake AssemblyREMOVALCAUTION:Do not allow brake fluid to come in contact with the painted surface of the vehicle body. If it does, wash off with water and wipe away completely.1. Lift up the vehicle, and then remove the rear wheels.2. Remove the caliper body assembly from the su ...
Dtc p0961 pressure control solenoid "a" control circuit range/performance
CONTINUOUSLY VARIABLE TRANSMISSION (DIAGNOSTICS) > Diagnostic Procedure with Diagnostic Trouble Code (DTC)DTC P0961 PRESSURE CONTROL SOLENOID "A" CONTROL CIRCUIT RANGE/PERFORMANCEDTC DETECTING CONDITION:Immediately at fault recognitionTROUBLE SYMPTOM:• Acceleration is poor during ...
Dtc b1507 external air temperature open/short-circuit detection
INSTRUMENTATION/DRIVER INFO (DIAGNOSTICS) > Diagnostic Procedure with Diagnostic Trouble Code (DTC)DTC B1507 EXTERNAL AIR TEMPERATURE OPEN/SHORT-CIRCUIT DETECTIONDTC detecting condition:Open or short circuit in ambient sensorTrouble symptom:• Defective ambient temperature display• Def ...