EMISSION CONTROL (AUX. EMISSION CONTROL DEVICES)(H4DO) > General Description
COMPONENT
1. CANISTER, LEAK CHECK VALVE ASSEMBLY AND DRAIN SEPARATOR
For structures of the canister, leak check valve assembly and drain separator, refer to “FU (H4DO)”. General Description > COMPONENT">
2. EGR SYSTEM 1

(1) | EGR control valve | (7) | O-ring | Tightening torque: N·m (kgf-m, ft-lb) | |
(2) | O-ring | (8) | Clip | T1: | 6.4 (0.7, 4.7) |
(3) | Gasket | (9) | Preheater hose A | T2: | 18 (1.8, 13.3) |
(4) | Engine coolant temperature sensor | (10) | Clip | T3: | 22 (2.2, 16.2) |
(5) | Gasket | (11) | Preheater hose B | ||
(6) | Water pipe ASSY (MT model) | (12) | Water pipe ASSY (CVT model) | ||
3. EGR SYSTEM 2

(1) | Gasket | (6) | Gasket | Tightening torque: N·m (kgf-m, ft-lb) | |
(2) | Gasket | (7) | Gasket | T1: | EGR Pipe > INSTALLATION"> |
(3) | EGR pipe | (8) | Clip | T2: | EGR Cooler > INSTALLATION"> |
(4) | EGR cooler (CVT model) | (9) | Engine coolant hose | ||
(5) | EGR cooler (MT model) | ||||
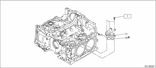
4. PCV SYSTEM 1

(1) | PCV connector | (3) | O-ring | Tightening torque: N·m (kgf-m, ft-lb) | |
(2) | O-ring | T: | 6.4 (0.7, 4.7) | ||
5. PCV SYSTEM 2

(1) | PCV hose A | (3) | PCV hose B | Tightening torque: N·m (kgf-m, ft-lb) | |
(2) | PCV valve | (4) | Clip | T: | 23 (2.3, 17.0) |
Preparation toolInspection
HVAC SYSTEM (HEATER, VENTILATOR AND A/C) > Sunload Sensor (Auto A/C Model)INSPECTION1. Check if there is anything that affects sensing, around the sunload sensor.(1) Is the sunload sensor free from any object that disturbs sensing?(2) Is the windshield glass free from any object such as sticker o ...
Dtc c2521 motor malfunction
POWER ASSISTED SYSTEM (POWER STEERING) (DIAGNOSTICS) > Diagnostic Procedure with Diagnostic Trouble Code (DTC)DTC C2521 MOTOR MALFUNCTIONTrouble symptom:• The steering wheel operation feels heavy.• STEERING warning light illuminates.Wiring diagram:Electric power steering system Elect ...
Dtc b2902 rear height sensor circuit
AUTO HEADLIGHT BEAM LEVELER SYSTEM (DIAGNOSTICS) > Diagnostic Procedure with Diagnostic Trouble Code (DTC)DTC B2902 REAR HEIGHT SENSOR CIRCUITDTC detecting condition:Detected when error occurs in the rear height sensor.Trouble symptom:The auto headlight beam leveler does not operate.CAUTION:Initi ...