VEHICLE DYNAMICS CONTROL (VDC) (DIAGNOSTICS) > Diagnostic Procedure with Diagnostic Trouble Code (DTC)
DTC C1711 STEERING ANGLE SENSOR
DTC detecting condition:
Defective steering angle sensor
Trouble symptom:
• ABS does not operate.
• VDC does not operate.
• Hill start assist does not operate.
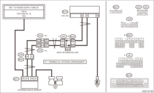
Wiring diagram:
Vehicle dynamics control system Vehicle Dynamics Control System > WIRING DIAGRAM">

| STEP | CHECK | YES | NO |
1.CHECK POWER SUPPLY FOR STEERING ANGLE SENSOR.
1) Turn the ignition switch to OFF.
2) Disconnect the connector from steering angle sensor.
3) Turn the ignition switch to ON.
4) Measure the voltage between steering angle sensor and chassis ground.
Connector & terminal
(B231) No. 4 (+) — Chassis ground (−):
Is the voltage 10 — 15 V?
Diagnostic Procedure with Diagnostic Trouble Code (DTC) > DTC C1711 STEERING ANGLE SENSOR">Go to Step 2.
Repair the steering angle sensor power supply circuit including the fuse.
2.CHECK GROUND CIRCUIT OF STEERING ANGLE SENSOR (CHECK FOR OPEN CIRCUIT).
Measure the resistance between steering angle sensor and chassis ground.
Connector & terminal
(B231) No. 1 — Chassis ground:
Is the resistance less than 10 ??
Diagnostic Procedure with Diagnostic Trouble Code (DTC) > DTC C1711 STEERING ANGLE SENSOR">Go to Step 3.
Repair ground circuit in the steering angle sensor.
3.CHECK STEERING ANGLE SENSOR HARNESS (CHECK FOR OPEN CIRCUIT).
1) Disconnect the connector from the VDCCM&H/U.
2) Measure the resistance between VDCCM&H/U and steering angel sensor.
Connector & terminal
(B231) No. 2 — (B310) No. 14:
(B231) No. 3 — (B310) No. 26:
Is the resistance less than 1 ??
Diagnostic Procedure with Diagnostic Trouble Code (DTC) > DTC C1711 STEERING ANGLE SENSOR">Go to Step 4.
Repair the harness between the steering angle sensor and VDCCM&H/U.
4.CHECK GROUND SHORT CIRCUIT OF STEERING ANGLE SENSOR HARNESS.
Measure the resistance between steering angle sensor and chassis ground.
Connector & terminal
(B231) No. 2 — Chassis ground:
(B231) No. 3 — Chassis ground:
Is the resistance 10 ? or more?
Diagnostic Procedure with Diagnostic Trouble Code (DTC) > DTC C1711 STEERING ANGLE SENSOR">Go to Step 5.
Repair the harness between the steering angle sensor and VDCCM&H/U.
5.CHECK STEERING WHEEL.
1) Drive the vehicle on a flat road.
2) Park the vehicle straight.
3) Check the steering wheel for deviation from center.
Is the deviation from the center of steering wheel less than 5°?
Diagnostic Procedure with Diagnostic Trouble Code (DTC) > DTC C1711 STEERING ANGLE SENSOR">Go to Step 6.
Perform the centering adjustment of steering wheel, and perform the VDC sensor midpoint setting mode. VDC Control Module and Hydraulic Control Unit (VDCCM&H/U) > ADJUSTMENT">
6.CHECK OUTPUT OF STEERING ANGLE SENSOR USING SUBARU SELECT MONITOR.
1) Adjust steering wheel to the center position.
2) Using the Subaru Select Monitor, select “Data monitor”. Subaru Select Monitor > OPERATION">
3) Read the «Steering Angle Sensor» displayed on display.
Is the reading of «Steering Angle Sensor» −10° — 10°?
Perform the VDC sensor midpoint setting mode. VDC Control Module and Hydraulic Control Unit (VDCCM&H/U) > ADJUSTMENT">
Diagnostic Procedure with Diagnostic Trouble Code (DTC) > DTC C1711 STEERING ANGLE SENSOR">Go to Step 7.
Check the installation of the steering wheel and steering angle sensor.
7.CHECK VDCCM&H/U.
1) Turn the ignition switch to OFF.
2) Connect all connectors.
3) Perform the Clear Memory Mode. Clear Memory Mode">
4) Perform the Inspection Mode. Inspection Mode">
5) Read the DTC. Read Diagnostic Trouble Code (DTC)">
Is the same DTC displayed?
Replace the steering angle sensor. Steering Angle Sensor">
Diagnostic Procedure with Diagnostic Trouble Code (DTC) > DTC C1711 STEERING ANGLE SENSOR">Go to Step 8.
8.CHECK DETECTION OF OTHER DTCS FOR VDC.
Read Diagnostic Trouble Code (DTC)">
Is any other DTC displayed?
Perform the diagnosis according to DTC. List of Diagnostic Trouble Code (DTC)">
Currently, it is normal. There may have been a temporary poor contact in the harness and connector or a temporary noise interference.
Dtc c1532 bls on stuck
Dtc c1721 yaw rate sensorDtc c0031 fr hold valve malfunction
VEHICLE DYNAMICS CONTROL (VDC) (DIAGNOSTICS) > Diagnostic Procedure with Diagnostic Trouble Code (DTC)DTC C0031 FR HOLD VALVE MALFUNCTIONNOTE:For the diagnostic procedure, refer to “DTC C0064 NORMAL CLOSING VALVE 2 MALFUNCTION”. Diagnostic Procedure with Diagnostic Trouble Code (DTC) ...
Dtc b1618 front sub sensor lh initialization error
AIRBAG SYSTEM (DIAGNOSTICS) > Diagnostic Chart with Trouble CodeDTC B1618 FRONT SUB SENSOR LH INITIALIZATION ERRORDiagnosis start condition:Ignition voltage is 10 V to 16 V.DTC detecting condition:• Open or short circuit in harness of front sensor bus (LH)• Front sub sensor (LH) is fa ...
General description
Caution
CRUISE CONTROL SYSTEM > General DescriptionCAUTION• Before disassembling or reassembling parts, always disconnect the battery ground cable from battery. When replacing the audio, control module and other parts provided with memory functions, record the memory contents before discon ...